| COMPOSANTS |

|
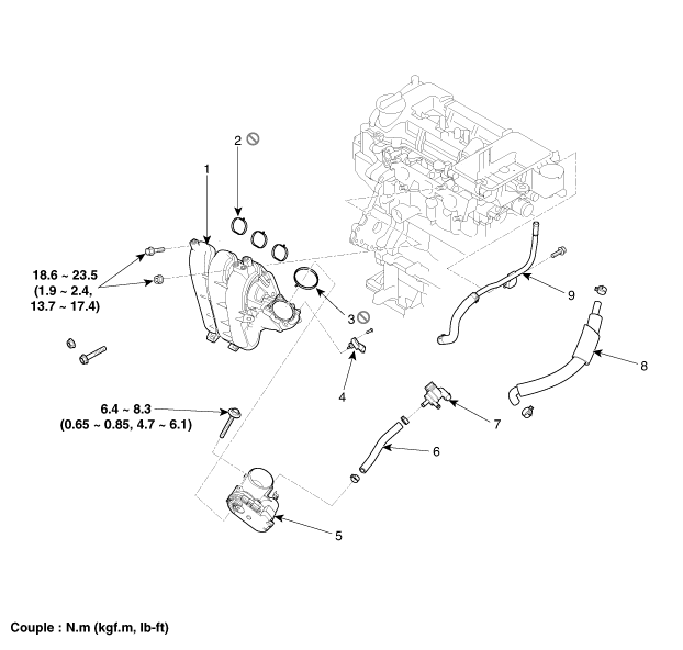
1. Collecteur d'admission 2. Joint du collecteur d’admission 3. Joint de corps de papillon 4. MAPS (Capteur de pression de type absolu du collecteur) 5. Corps du papillon |
6. Flexible de la PCSV (Électrovanne de commande de purge) 7. PCSV (Électrovanne de commande de purge) 8. Flexible de PCV (Recyclage des gaz du carter) 9. Ensemble du flexible et du tuyau de dépression |
Collecteur d′admission Procédures de réparationsTémoins et voyants
Vous pouvez vérifier tous les témoins en tournant le commutateur d’allumage sur
ON (ne démarrez pas le moteur). Un témoin qui ne s’allume pas doit être contrôlé
par un concessionnaire Kia agréé.
Démarrez le moteur, puis vérifiez que tous les témoins lumineux sont éteints.
Si ...
Fixation d'un système de retenue pour enfant à l'aide du système « ISOFIX »
et du système d' « ancrage à sangles »
ISOFIX est une méthode normalisée pour fixer les sièges enfant qui a pour but
d'éliminer l'utilisation de la ceinture de sécurité du siège adulte pour fixer le
siège enfant dans le véhicule. Cette méthode permet de choisir un emplacement plus
sûr et a l'avantage de per ...