Kia Picanto: Description et fonctionnement
Kia Picanto Revue Technique Automobile
La sécurité au volant possède maintenant un nom : ESP, le dispositif électronique
de stabilité commandée.
Le dispositif ESP perçoit les conditions de conduite critiques, telles que réactions
paniquées lors de situations dangereuses, et stabilise le véhicule par le freinage
isolé des roues et l'intervention de la commande de moteur, sans que le conducteur
n'active les freins ou l'accélérateur.
Le dispositif ESP ajoute une fonction supplémentaire nommée “Contrôle actif
de mouvement de lacet (AYC)” aux fonctions ABS, TCS, EBD et ESP. Etant donné
que la fonction ABS/TCS contrôle le patinage des roues pendant le freinage et
l’accélération et qu’elle intervient dans la dynamique longitudinale du véhicule,
le contrôle actif de lacet stabilise le véhicule dans son axe vertical.
Cela est réalisé grâce à l'action du frein individuel de la roue et de l'adaptation
instantanée du couple du moteur sans besoin que le conducteur n'agisse.
Le dispositif ESP se compose essentiellement de trois ensembles : les capteurs,
l'unité de commande électronique et les actionneurs.
Le système de contrôle de la stabilité fonctionne évidemment à toutes les conditions
de conduite ou routières. Dans certaines conditions de conduite, la fonction
ABS/TCS peut être activée en même temps que la fonction ESP en réponse à une
commande du conducteur.
En cas de panne de la fonction de contrôle de la stabilité, la fonction de sécurité
basique, ABS, est maintenue.

DESCRIPTION DU COMMANDE ESP
Le système ESP comprend les fonctions ABS/EBD, TCS et AYC (contrôle actif de
mouvement de lacet).
Fonction ABS/EBD : L’ECU transforme le signal du capteur actif (vitesse active)
venant des capteurs des 4 roues en forme d'onde rectangulaire. En tenant compte
de l’entrée de ce signal, l’ECU calcule la vitesse du véhicule et l’accélération
& décélération des quatre roues. Et l'ECU juge si ABS/EBD doivent être activés
ou non.
La fonction TCS empêche le dérapage des roues motrices en exerçant plus de pression
sur les freins et en réduisant le couple moteur au moyen d’une communication
CAN. La fonction TCS utilise le signal du capteur de vitesse de roue pour déterminer
si la roue glisse plus vite que la fonction ABS.
La fonction AYC empêche les mouvements instables du véhicule. Pour déterminer
la manoeuvre du véhicule, la fonction AYC utilise les signaux de capteur de
manoeuvre (capteur d’angle du lacet, capteur d’accélération latérale, capteur
d’angle de volant).
Si la manœuvre du véhicule est instable (Sur-virage et sous-virage) la fonction
AYC applique la pression de freinage sur une certaine roue et envoie le signal
de réduction du couple moteur à travers le CAN.
Après le contact, l'ECU recherche continuellement les erreurs du système. (auto-diagnostic)
Si une erreur est détectée dans le système, l'ECU (Unité de contrôle électronique)
en informe le conducteur grâce à l'avertisseur lumineux BRAKE/ABS/ESP (Frein/Système
ABS/Dispositif de Stabilité Electronique). (avertisseur à sûreté intégrée).

Codage de variante
L'HECU est programmée avec un code de variante basé sur la configuration du
groupe motopropulseur du véhicule. Ce code de variante est utilisé pour déterminer
les calculs appropriés de l'ESP. La programmation du code de variante doit être
effectuée quand une HECU est remplacée.

PROCEDURE DE CODAGE DE VARIANTE
| 1. |
Installez normalement un PCM (ECM et TCM)/ESP.
|
| 2. |
Branchez GDS au connecteur de transmission des données qui se trouve
en dessous du tableau de bord.
|
| 3. |
Sélectionnez le nom du véhicule.
|
| 4. |
Sélectionnez le SYSTÈME DE FREINAGE ANTI-BLOCAGE.
|
| 5. |
Sélectionnez le codage de variante.
|
| 6. |
Allumage "ON" et Moteur "OFF".
|
| 7. |
Effectuez le codage de variantes.

|
| 8. |
Allumage "OFF" et puis allumage "ON".
|
| 9. |
Le codage de variante est terminé.
| •
|
Si le témoin d'avertissement (ESP, EBD, ABS) est allumé,
observez à nouveau le "Codage de variante".
|
|
|
Diagramme d'entrée et de sortie

| 1. |
Étape 1
L'ESP analyse l'intention du conducteur.

|
| 2. |
ÉTAPE 2
Le déplacement du véhicule ESP est analysé.

|
| 3. |
ÉTAPE 3
L'HECU calcule la stratégie requise, puis actionne les valves appropriées
et envoie les requêtes de contrôle du couple à travers le CAN pour maintenir
la stabilité du véhicule.
|
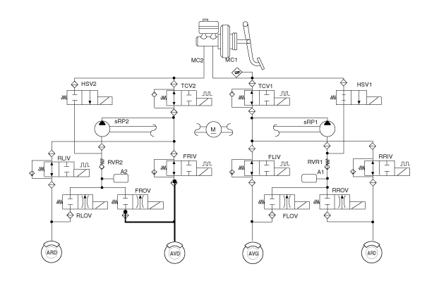
MODE FONCTIONNEMENT ESP
| 1. |
ESP Non-actif - Freinage normal.
|
Soupape d'entrée (IV)
|
Soupape de sortie (OV)
|
Soupape de commande de traction (TCV)
|
Soupape de l'interrupteur de haute pression (HSV)
|
Pompe de retour
|
Freinage normal
|
ouverture
|
fermeture
|
ouverture
|
fermeture
|
OFF
|

|
IV : Soupape d’entrée
OV : Soupape de sortie
ArG: Roue arrière gauche
AvD: Roue avant droite
AvG : Roue avant gauche
RR : Roue arrière droite
RP: Pompe de retour
TCV : Soupape de commande de traction
HSV : Soupape d'interrupteur à haute pression
|
|
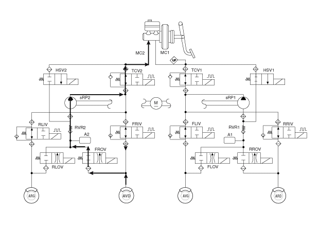
| 2. |
MODE AUGMENTATION ESP
|
Soupape d'entrée (IV)
|
Soupape de sortie (OV)
|
Soupape de commande de traction (TCV)
|
Soupape de l'interrupteur de haute pression (HSV)
|
Pompe de retour
|
Freinage normal
|
ouverture
|
fermeture
|
Fermé (Partielle)
|
ouverture
|
ON (contrôle de la vitesse du moteur)
|

|
IV : Soupape d’entrée
OV : Soupape de sortie
ArG: Roue arrière gauche
AvD: Roue avant droite
AvG : Roue avant gauche
RR : Roue arrière droite
RP: Pompe de retour
TCV : Soupape de commande de traction
HSV : Soupape d'interrupteur à haute pression
|
|
| 3. |
MODE MAINTIEN ESP (FR est seulement contrôlé)
|
Soupape d'entrée (IV)
|
Soupape de sortie (OV)
|
Soupape de commande de traction (TCV)
|
Soupape de l'interrupteur de haute pression (HSV)
|
Pompe de retour
|
Freinage normal
|
fermeture
|
fermeture
|
Fermé (Partielle)
|
ouverture
|
OFF
|

|
IV : Soupape d’entrée
OV : Soupape de sortie
ArG: Roue arrière gauche
AvD: Roue avant droite
AvG : Roue avant gauche
RR : Roue arrière droite
RP: Pompe de retour
TCV : Soupape de commande de traction
HSV : Soupape d'interrupteur à haute pression
|
|
| 4. |
MODE DIMINUTION ESP (FR est seulement contrôlé)
|
Soupape d'entrée (IV)
|
Soupape de sortie (OV)
|
Soupape de commande de traction (TCV)
|
Soupape de l'interrupteur de haute pression (HSV)
|
Pompe de retour
|
Freinage normal
|
fermeture
|
ouverture
|
Fermé (Partielle)
|
ouverture
|
ON (contrôle de la vitesse faible du moteur)
|

|
IV : Soupape d’entrée
OV : Soupape de sortie
ArG: Roue arrière gauche
AvD: Roue avant droite
AvG : Roue avant gauche
RR : Roue arrière droite
RP: Pompe de retour
TCV : Soupape de commande de traction
HSV : Soupape d'interrupteur à haute pression
|
|

LAMPE TÉMOIN ABS
Le voyant d'alarme actif de l'ABS indique l'auto-test et l'état de panne de
l'ABS. Le témoin d'alerte de l'ABS est allumé :
| – |
Lors de la phase d'initialisation après ALL ON. (continuellement 3 secondes).
|
| – |
En cas de désactivation des fonctions ABS liées à une panne.
|
| – |
Quand le connecteur ECU est séparé de l'ECU.
|
Témoin d'avertissement de frein de stationnement/distribution de force de freinage
électronique
Le module active du témoin d'avertissement EBD indique l'auto-test et l'état
de panne de EBD. Cependant, si l'interrupteur de frein de stationnement est
activé, le témoin d'anomalie EBD demeurera illuminé quelle que soit la fonction
EBD en cours. Le témoin d'avertissement de EBD est allumé :
| – |
Lors de la phase d'initialisation après ALL ON. (continuellement 3 secondes).
|
| – |
Quand l'interrupteur du frein de stationnement est ON ou quand le niveau
du liquide des freins est bas.
|
| – |
Quand la fonction EBD est défectueuse.
|
| – |
Quand le connecteur ECU est séparé de l'ECU.
|
Fonction ESP/Témoin d'avertissement (système ESP)
Le témoin d'avertissement/de fonction de l'ESP indique l'auto-test et l'état
de fonctionnement de l'ESP.
Le témoin d'avertissement/de fonction ESP fonctionne dans les cas suivants :
| – |
Lors de la phase d'initialisation après ALL ON. (continuellement 3 secondes).
|
| – |
En cas de blocage des fonctions ESP du fait d'une défaillance.
|
| – |
Quand la commande ESP est en fonctionnement. (clignotement - 2 Hz)
|
Témoin ESP OFF (système ESP)
Le témoin ESP OFF indique l'auto-test et l'état de fonctionnement de l'ESP.
Le témoin ESP OFF s'allume dans les cas suivants :
| – |
Lors de la phase d'initialisation après ALL ON. (continuellement 3 secondes).
|
| – |
Quand le conducteur éteint la fonction ESP grâce à l’interrupteur on/off.
|
Interrupteur ESP ON/OFF (système ESP)
Le interrupteur ESP ON/OFF peut être utilisé pour activer ou désactiver la fonction
ESP selon les ordres donnés par le conducteur.
Le commutateur marche/arrêt doit normalement être ouvert, interrupteur de contact
instantané.
État initial activé de la fonction ESP et l'interrupteur est utilisé pour requérir
le changement de statut de l'ESP.
COMPOSANTS
1. Module de contrôle de l'ESP (HECU)
2. Capteur de vitesse de roue avant
3. Capteur de vitesse de la roue arrière
4. Capteur d’amplitude ...
Diagramme de circuit - ESP(1)
Diagramme de circuit - ESP(2)
Diagramme de circuit - ESP
(3)
Diagramme de circuit - ESP
(4)
...
Autres materiaux:
Filtre à carburant Procédures de réparation
REMPLACEMENT
1.
Déposez la pompe à carburant (Voir "POMPE CARBURANT" dans ce groupe).
2.
Débranchez le connecteur de câblage du transmetteur du niveau de carburant
(A) et le connecteur de câblage de la pompe élec ...
Composants et emplacement des composants
EMPLACEMENT DES COMPOSANTS
1. Interrupteur principal de la vitre électrique conducteur
2. Interrupteur de vitre électrique passager
3. Moteur de la vitre avant
4. Moteur de la vitre arrière
5. Interrupteur de la vitre arrière
...