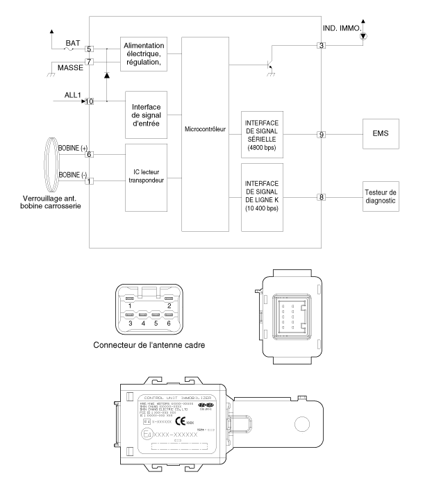
| Schéma du circuit |

Description et fonctionnementConsommation moyenne de carburant (L/100 km ou MPG)
■ Type A
■ Type B
Ce mode calcule la consommation moyenne de carburant à partir de la quantité
totale de carburant consommée et de la distance parcourue depuis la dernière réinitialisation
du compteur de consommation moyenne.
La quantité totale de carburant consommée est calcul ...
Système de freinage anti-blocage (ABS)
AVERTISSEMENT
Le système ABS (ou ESC) n’empêchera pas des accidents imputables à des manoeuvres
de conduite dangereuses ou mauvaises. Même si le contrôle du véhicule est amélioré
lors de freinage d’urgence, conservez toujours une distance de sécurité entre vousmême
et des objet ...