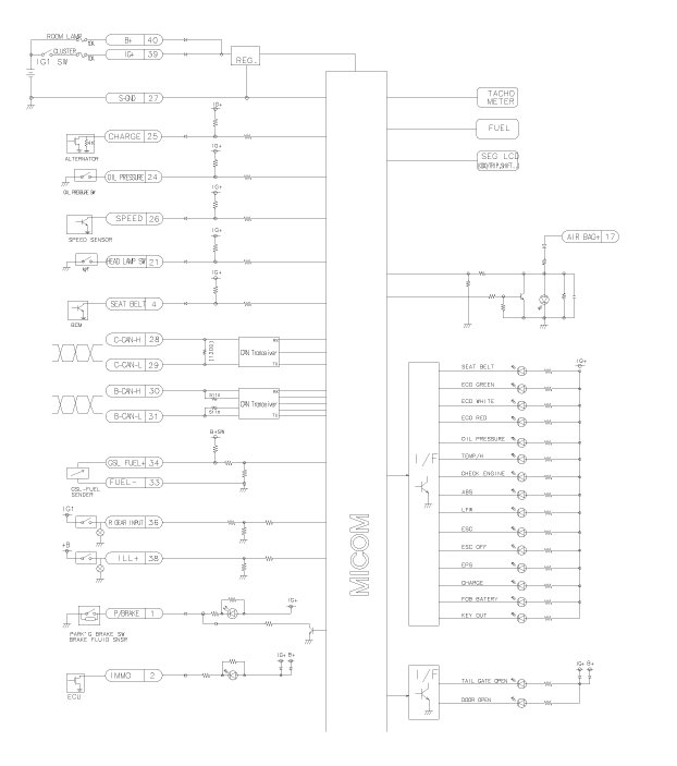
| Schéma du circuit |




Groupe d'instruments Description et fonctionnement
Groupe d'instruments Procédures de réparationFixation d'un siège de retenue pour enfant à l'aide d'un système d' «ancrage
à sangles »
Les supports des dispositifs de retenue pour les enfants sont situés sur le plancher,
derrière les sièges arrière.
1. Insérez la sangle du siège de retenue pour enfant sur le dossier. Pour les
véhicules équipés d’appuistête réglables, insérez la sangle du système d’ancrage ...
Important - utilisation de la roue de secours compacte (le cas échéant)
Votre véhicule est équipé d’une roue de secours compacte. Cette roue occupe moins
de place qu'un pneu de dimension standard. Il est plus petit qu'un pneu classique
et est uniquement conçu pour une utilisation temporaire.
ATTENTION
Vous devez conduire prudemment si vous avez re ...