| Schéma du circuit |

Description et fonctionnement
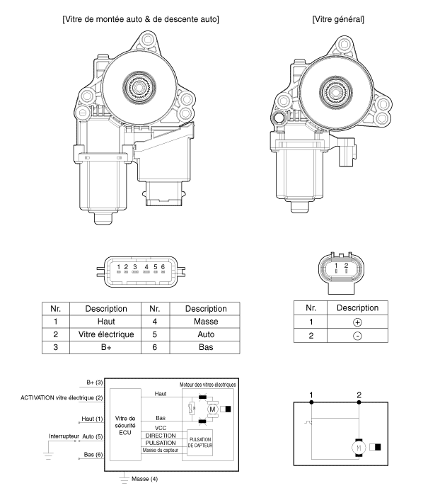
Moteur des vitres électriques Procédures de réparationFixation d'un système de retenue pour enfant à l'aide du système « ISOFIX »
et du système d' « ancrage à sangles »
ISOFIX est une méthode normalisée pour fixer les sièges enfant qui a pour but
d'éliminer l'utilisation de la ceinture de sécurité du siège adulte pour fixer le
siège enfant dans le véhicule. Cette méthode permet de choisir un emplacement plus
sûr et a l'avantage de per ...
Description et fonctionnement
Description ESP
La sécurité au volant possède maintenant un nom : ESP, le dispositif électronique
de stabilité commandée.
Le dispositif ESP perçoit les conditions de conduite critiques, telles que réactions
paniquées lors de situations dangereuses, et stabilis ...